北京赤那思电气技术有限公司产品应用
来源:赤那思电气公司投稿 2014-11-07
CETBBK框架式高压无功补偿装置
产品介绍
装置主要用于6kV、10kV、35kV三相电力系统,用以调整平衡网络电压提高功率因数降低损耗提高供电质量。
型号说明

功能特点
◆ 可安装在户内及户外。
◆ 采用框架式结构,固定投切。
◆ 直接在变电所即可操作电容柜投切。
◆ 户内框架式:由电抗器,进线架和电容器架构成,空心电抗一般为三相叠装。进线架内包括高压隔离开关,放电线圈及避雷器,电容器架一般为二层一排布置,容量特别大可采用二排二层布置,进线架与电容构架并列,高度深度一致,每台电容均配装外熔断器,电容构架门可以是网栏门也可以是带观察窗的钢门。电抗器须用网栏围住。
◆ 户外框架式:由GW4-12D高压隔离开关进线,开关安装在平台上。隔离开关后是电抗器,一般为三相叠装,容量很大时可分相安装,相应电容也是分相安装。电容器单台容量为50、100kvar时电容框架为单排或双排三层布置,避雷器,放电线圈安装在构架上;200kvar及以上电容一般用单排或双排二层布置;当容量特别大时,电容可分相布置,每相为二排一层布置,避雷器、放电线圈置于框架顶部。整套装置四周用不低于2米的网栏门围住,网栏门至少应有一扇活门以利巡视和检修。
◆ 35kV装置均为户外框架式,电容、电抗均为分相布置。电容构架由35kV高压绝缘子支撑与地绝缘。电容为二排一层布置。避雷器安装在电抗器附近,放电线圈在构架靠中性点处安装。35kV电源引至GW4-35D隔离开关上端,开关安装在平台上。整套装置四周用不低于2米的网栏门围住,网栏门至少应有一扇活门以利巡视和检修。
使用条件
◆ 环境温度:-25℃~+45℃,24小时内平均温度不超过+35℃。
◆ 海拔高度:不超过2000米,高于2000米采用高原型产品。
◆ 湿度:日平均值不大于95%,月平均值不大于90%。
◆ 户外风速≤35m/s。
◆ 抗震:不超过地震烈度为8度。
◆ 地面倾斜度不大于3°。
◆ 阳光辐射不得超过1000w/㎡。
◆ 安装场所:使用地点不允许有爆炸危险介质,周围环境中不应含有腐蚀金属和破坏绝缘的气体及导电介质,不允许充满水蒸气及有严重的霉菌存在。
技术参数
◆ 系统额定电压:6~35kV
◆ 额定频率:50~60Hz
◆ 额定容量:150~10000kvar(10kV及以下)300~40000kvar(35kV)
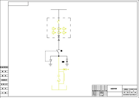
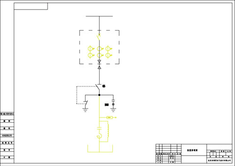
原理图
选型表





选型说明
◆ 空心电抗器安装在电源侧,铁芯电抗位于中性点侧。用以限制合闸涌流,电抗率为0.5-1%;用以抑制5、7次及以上谐波的电抗率为4.5-6%;用以抑制3次及以上谐波的电抗率为12-13%。
◆ 主接线方式采用单星/双星接线,单星用开口三角保护,双星采用中性点不平衡保护。
◆ 单台电容器容量50-334kvar。
结构示意图
◆ 按用户安装位置确定安装尺寸及安装方式。
订货须知
◆ 系统主接线、平面布置图。
◆ 系统额定电压、补偿总容量、单台电容的容量、数量等。
◆ 使用在特殊条件时应在订货时提供。
公司介绍
北京赤那思电气技术有限公司创立于1999年1月8日,致力于无功补偿、谐波治理技术及电能质量优化领域研究,产品在电力、汽车制造、船舶、钢铁、冶金、煤炭、石油化工、水泥等各个领域已经得到了广泛应用。
发表评论
最新评论
投稿




