四川罗茨风机有限公司产品应用
来源:畅言网 2015-01-20

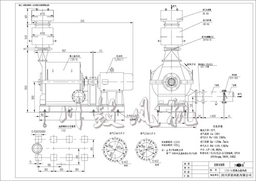
名称:C系列多级离心风机(低噪声型)
风量:20~500m3/min
风压:19.6~100kPa(升压)
流 量:50~500m3/min
升 压:19.6~100KPa
配套电机功率:11~1800kW
该系列风机一般分多级低速、单吸入、双支撑结构,采用联轴器传动,进风口及出风口方向均垂直向上,广泛应用于各种冶炼锅炉、洗煤厂、矿山浮选、污水处理、化工造气等需要输送空气的场合,亦可用于输送其他无腐蚀性气体。具有效率高、噪音低、运行平稳,易损件少和安装,操作维护简便等特点。
C系列多级离心风机产品介绍
1.用途
多级离心风机广泛应用于各种冶炼锅炉、洗煤厂、矿山浮选、污水处理、化工造气等需要输送空气的场合,亦可用于输送其他无腐蚀性气体。根据国家对冶炼行业的有关政策,目前新建的100m3~200m3的高炉较多,需要配备的风机多分为C430-2.25~C530-2.28型风机,相应的电动机功率为1000kW~1250kW,可视用户炉型及原料情况而合理选用。该系列鼓风机具有效率高,噪音低,运行平稳,易损件少和安装,操作维护简便等特点。
2.型式
C型一般分多级低速、单吸入、双支承结构,采用联轴器传动,进风口及出风口方向均垂直向上。
3.结构组成
风机机壳由优质碳钢或铸铁制成,一般C型机壳与轴承箱沿轴线水平上下中分。转子的主轴用优质碳钢制成,叶轮用普通低合金钢制成。每级叶轮进口圈处,级间和机壳两端装有迷宫式密封,以防止气体泄漏。鼓风机转子经静、动平衡较正,运行平稳。
4.选型说明
产品目录中给出了常用C型多级离心风机的性能参数。如果用户有其他要求,可在订货时提出,本公司将按您的要求设计、制造,保证满足使用要求。

公司简介:
四川罗茨风机有限公司主要生产密集型高压三叶罗茨风机(罗茨鼓风机)、罗茨真空泵、双级罗茨风机、锅炉引风机、高压离心风机、隧道风机、煤气增压风机、多级离心风机、高速高压离心风机、单级高压风机、烧结风机、射流风机、斜流风机、混流风机、电站锅炉风机、轴流风机、对旋式隧道射流风机、屋顶轴流风机、暖通排烟风机、高温、防腐蚀玻璃钢特种风机等20多个系列300多种规格齐全的风机产品以及消声器、减震垫等配套产品。公司多年来为全国各重点工程项目,如电站、石油、化工、机械、环保、冶金、建材、轻纺、水产、粮食、民用建筑等行业提供优质产品及服务。产品销往国内各个省、市、区,并配套出口东南亚、北美洲、加拿大等国家和地区。
发表评论
最新评论
投稿



