关闭
2023建筑行业十大评选

超万名行业内专业人士实名投票

秉持客观原则的非商业化评选

马艳龙:常规空调水系统及其运行故障详解

摘要:本文简单介绍了水系统的组成、分类、竖向分区等内容,并对水系统的运行常见故障进行了阐述,对空调水系统的基本概念以及空调水系统故障诊断有一定的指导作用。

空调水系统概述

空调水系统包括冷(热)媒水系统和冷却水系统两部分。

冷媒水是指夏季由冷水机组向空调末端设备供给的冷冻水(一般供水7℃,回水12℃);热媒水是指在冬季由换热站向空调末端设备供给的热水(一般供水60℃回水50℃)。

常规的空调冷(热)媒水系统是由制冷主机蒸发器(热源)、冷(热)水泵、末端设备等组成的循环水系统。

常规的空调冷却水系统是由冷却塔、制冷机组冷凝器、冷却水泵等组成的循环水系统(一般冷却塔供水32℃,回水37℃)。

一般情况下,空调水系统中包含制冷机组(热源)、冷冻水泵(热水泵)、冷却水泵、冷却塔、末端设备、分集水器、补水箱、补水泵、定压水箱(定压罐)、水处理装置、管网、阀门及其附件等。

常规空调冷冻水系统的分类

1. 按照冷媒水的循环方式分类:

1) 开式循环系统:末端管路与大气相通。图(2-1)为简单的开式循环水系统原理图。

2) 闭式循环系统:冷媒水在系统内进行密闭循环,不与大气相接触。  

图(2-2)为简单的闭式循环水系统原理图。

图(2-1)开式水系统原理图     图(2-2)闭式水系统原理图

开式系统所用的循环泵除了克服环路阻力外还要提供几何提升高度和末端的资用压头,所以其扬程很高,循环水易受污染,管路和设备易受腐蚀且容易产生水击等现象,当高层建筑的地下室设有蓄冷水池,才可能应用此系统,目前很少应用。

闭式系统所用的循环泵的扬程比较低,循环水不易受污染,且管路的腐蚀程度轻。

2. 按供回水制式分类:

1) 双管制供水方式:

供冷、供热合用同一套管路系统。简单的双管制供水方式见图(2-3)。

2) 三管制供水方式:

供冷、供热系统供水管单独设置,回水管共用。简单的三管制供水方式见图(2-4)。

3) 四管制供水方式:

供冷、供热管网系统独立设置。简单的四管制供水方式见图(2-5)。

图(2-3)           图(2-4)            图(2-5)

3. 按照供、回水管路的布置方式分类:

1) 同程式系统:供、回水干管中的水流方向相同(顺流),经过每一环路的管路总长度相等。同程式系统又分为垂直同程式系统与水平同程式系统。

2) 异程式系统:供、回水干管中的水流方向相反(逆流),经过每一环路的管路总长度不相等。

同程式布置——水量分配和调节都比较方便,容易达到水力平衡,但大部分情况下需要设回程管,管路长,初投资稍高,要占用一定的建筑空间。

异程式布置——水量分配和调节都比较麻烦,不容易达到水力平衡,常常需要安装平衡阀,管道长度较短,初投资稍少。

4. 按照运行调节方式分类:

1) 一次泵系统蒸发器侧定流量,用户侧变流量系统:系统中蒸发器侧循环水量保持不变,但负荷侧通过控制电动两通阀的开启来改变末端冷冻水流量,但此系统必须在分集水器之间设置压差控制器。图(2-6)为一次泵系统蒸发器侧定流量,用户侧变流量的末端控制示意图。

图(2-6) 电动两通阀控制原理图

2) 二次泵系统蒸发器侧定流量,用户侧变流量:蒸发器侧冷冻水流量保持不变,二次泵通过变频等措施调节末端的流量。此系统供回水总管路需设置旁通阀。图(2-7)为二次泵系统蒸发器侧定流量,用户侧变流量系统原理图。

图(2-7) 二次泵变速调节水系统原理图

3) 一次泵变流量系统:制冷主机蒸发器侧变流量,用户侧也变流量。此系统中冷冻水泵可以通过改变转速而改变流量。

空调水系统竖向分区

1. 空调水系统竖向分区原则:

空调水系统是否要分区,主要由空调末端设备和制冷设备的允许承压来考虑。当建筑总高度H≤100m时,冷媒水系统可以不采用竖向分区,当建筑总高度H≥100m时,冷媒水系统一般都需要采用竖向分区。

2. 空调水系统竖向分区方案:

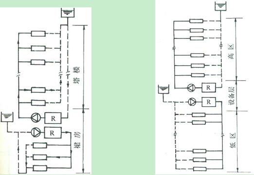
1) 将冷水机组设在塔楼以外的裙房顶层 设两个系统分别向塔楼和裙房供水,另一台向低区供水。冷却塔设在裙房的屋顶上。如图(3-1):

图(3-1) 水系统竖向分区类型1     图(3-2) 水系统竖向分区类型2

将冷水机组设在中部设备层,一台向高区供水,另一台向低区供水,如(3-2):

2) 冷水机组设在塔楼的顶层,冷水机组处于循环泵的压出段,向下供水。如图(3-3):

图(3-3) 水系统竖向分区类型3     图(3-4) 水系统竖向分区类型4

(参考建筑:深圳蛇口招商大厦)   (参考建筑:哈尔滨昆仑大酒店)

将冷水机组设在地下设备层,而在中部设备层布置(水—水)板式换热器,使高区和低区的静压分段来承受,上下自成系统。利用供水7℃、回水12℃的一次冷媒水,通过板式换热器交换成供水8.5℃、回水13.5℃的二次冷媒水,供应高区的末端设备使用。需注意,在冷负荷相同的条件下,高区的风机盘管机组的型号要比低区的约加大一号。如图(3-4):

3) 当建筑总高度在100~120m时,对高区的若干层可采用自带冷(热)源的空调器,而将冷水机组设在地下设备层。深圳妇儿医院的新住院部采用这类系统。

本站申明:网友阅读本站内容,视为认同本站协议,协议详情请点击查看
标签:空调水系统空调水系统分类空调水系统竖向分区空调水系统运行故障

发表评论

最新评论